|

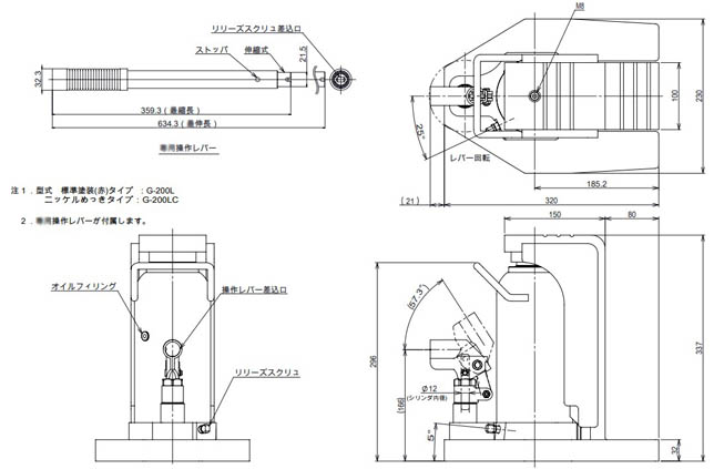
EAGLE G-200L型爪式千斤頂特點:
1、EAGLE G-200L型爪式千斤頂屬于日本鷹牌EAGLE JACK品牌GL系列爪式千斤頂;
2、EAGLE G-200L型爪式千斤頂的壓桿座均可以左右旋轉,同時可橫向使用;
3、EAGLE G-200L型爪式千斤頂屬于加長爪,可定制無塵室型爪式千斤頂。
EAGLE G-200L型爪式千斤頂技術參數:

|
型號
|
G-25L
|
G-40L
|
G-60L
|
G-100L
|
G-160L
|
G-200L
|
|
爪荷重(t)
|
1
|
2
|
3
|
5
|
7
|
10
|
|
頭部荷重(t)
|
2.5
|
4
|
6
|
10
|
16
|
20
|
|
爪部高度/低(mm)
|
12
|
19
|
22
|
25
|
28
|
32
|
|
爪部長度(mm)
|
75
|
80
|
80
|
75
|
80
|
80
|
|
爪部寬度(mm)
|
65
|
65
|
65
|
75
|
90
|
100
|
|
揚程(mm)
|
100
|
110
|
115
|
130
|
136
|
140
|
|
底座寬度(mm)
|
140
|
145
|
155
|
183
|
200
|
230
|
|
底座長度(mm)
|
245
|
256
|
266
|
282
|
310
|
320
|
|
頭部高度/低(mm)
|
203
|
230
|
232.5
|
291
|
300
|
337
|
|
重量(kg)
|
10
|
12
|
14
|
22
|
31
|
41
|
注:G-40L、G-60L、G-100L可橫向使用。
說一下選擇EAGLE G-200L型爪式千斤頂優勢之一
釋放螺絲外觀對比
EAGLE G-200L型爪式千斤頂:釋放螺絲外觀為針型
國產某品牌爪式千斤頂:釋放螺絲外觀為鋼珠型
國產某品牌爪式千斤頂釋放螺絲外觀的鋼珠很容易丟,導致不工作了,就會耽誤工作進程;所以EAGLE G-200L型爪式千斤頂更符合客戶的需求。

保質承諾
EAGLE G-200L型爪式千斤頂屬于日本進口鷹牌EAGLE JACK品牌產品,保質12個月,凡客戶從我公司定購此品牌產品如收到貨物時發現有假貨仿貨均以100倍金額賠償。 |